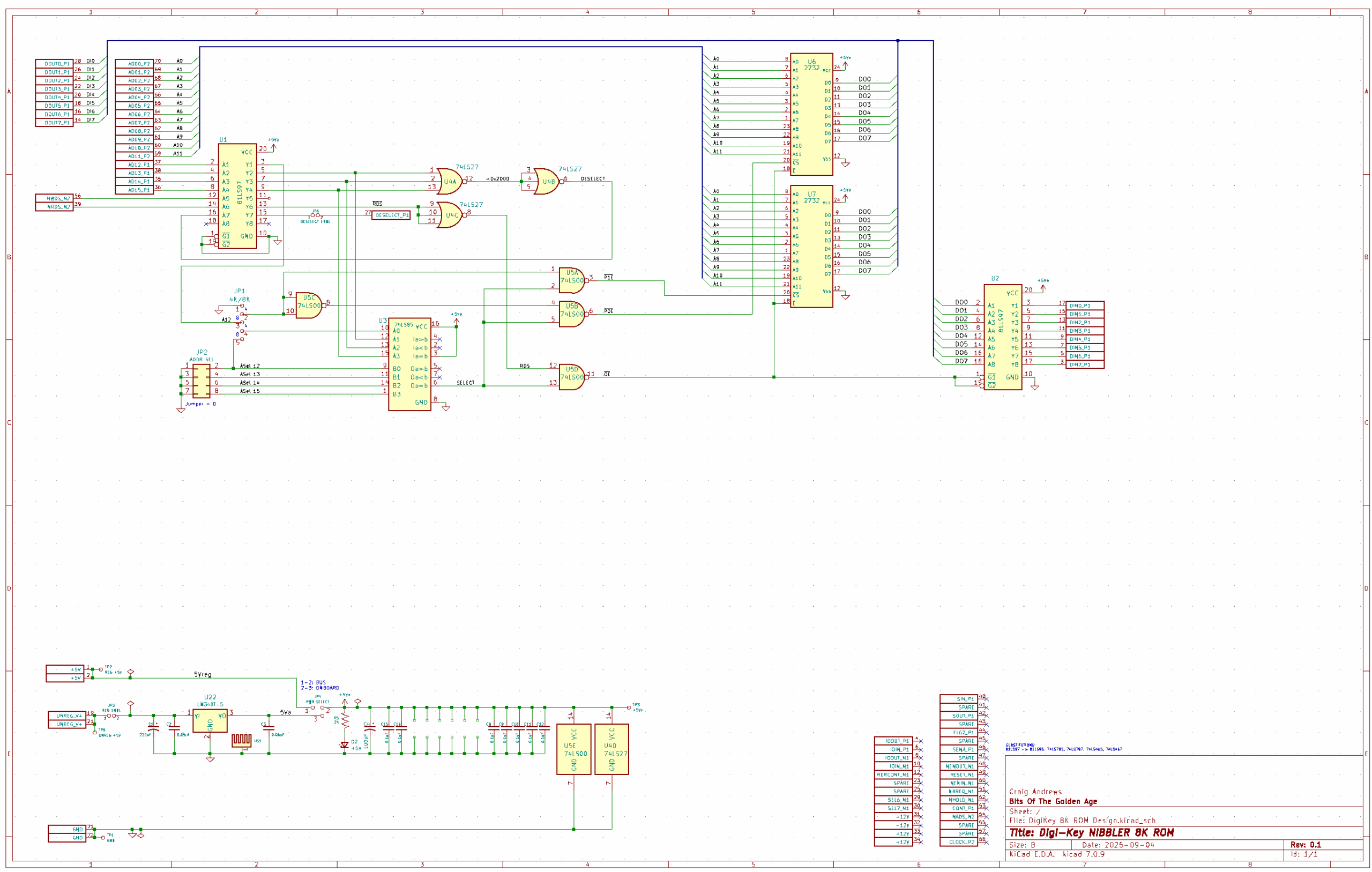
Home » Nibbler ROM Expansion Schematic Nibbler ROM Expansion Schematic September 12, 2025 Leave a Comment on Nibbler ROM Expansion Schematic Share: XFacebookPinterestRedditVKDiggLinkedinMix Download Download is available until [expire_date] Version Download 7 File Size 545.70 KB File Count 1 Create Date September 12, 2025 Last Updated September 12, 2025 Nibbler ROM Expansion Schematic Nibbler ROM Expansion Schematic v0.9 wk2925 Related Articles 0 49 Bus Monitor Board – Data Match Doesn’t Match My Bit Pattern. Note that PENDING is the operative word. 0 51 What Do YOU Like in a PROTOBOARD? 0 47 Do the RD* and WR* Signals Really Need Pull-ups? 0 81 Another 8085 Platform that is [probably] Dear Only To Me