• About WordPress
    • WordPress.org
    • Documentation
    • Learn WordPress
    • Support
    • Feedback
  • Log In
Skip to content

Bits Of The Golden Age

Building New Retirement Homes for Vintage Chips

  • Home
  • Documentation
  • BUY
  • Bits Of The Golden Age Collection Catalog
  • Where to Find Vintage ICs
  • Contact
  • Activate

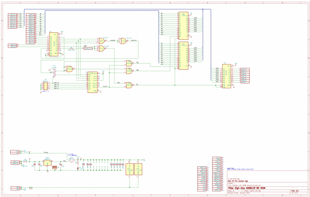
Expansion ROM Schematic

Expansion ROM Build Files

  • Home
  • Contact Me
  • Documentation
    • 1Mbit Magnetic Bubble Memory Board Documentation
    • 2708+ PROM to Serial Adapter Documentation
    • 2K PROM to Serial Adapter Documentation
    • Backplane 4 Documentation
    • Bus Monitor Supreme Documentation
    • Bus Protoboard v1.0 Documentation
    • Cassette Tape Interface Documentation
    • Digi-Key Nibbler 4K 8K RAM Workalike Board Documentation
    • Digi-Key Nibbler 4K 8K ROM Workalike Board Documentation
    • Digi-Key Nibbler Backplane Documentation
    • Digi-Key Nibbler Workalike Board Documentation
    • imm6-26 Documentation
    • imm6-28 Documentation
    • imm8-82 8008 CPU Documentation
    • imm8-83 8080 CPU Documentation
    • Intel Intellec 8/80 Documentation
    • Intel uScope 820 Documentation
    • Intellec 8/80 Backplane Documentation
    • MCS-85+ Documentation
    • Memory Expansion Documentation
    • Port I/O Protoboard v1.0 Documentation
    • PROM to Serial Adapter Documentation (2704+)
    • Reference Documents
    • SBC BUS Backplane 4+ Documentation
    • SBC-3870 F8 Board Documentation
    • SBC-85 CPU v1.x Documentation
    • SBC-85 CPU v2.x Documentation
    • SC/MP Based Project Boards
    • SDK-85+ Documentation
    • SPIO (Serial – Parallel I/O) Documentation
    • SSM CB1A w Parallel IO
    • SSM CB1A w RS Serial Port
    • SSM VB1B Video Board
    • STD Bus 8085 SBC v1.x Documentation
    • STD Bus Backplane 8+ Documentation
    • STD Bus Protoboard v1.x Documentation
  • HOW DO I GET SBC-85 HARDWARE?
  • My account
  • Software
    • Programming Reference Cards
  • Submit a Post
  • Submit a Topic
  • Where to Find Vintage ICs

Copyright © 2026 Bits Of The Golden Age