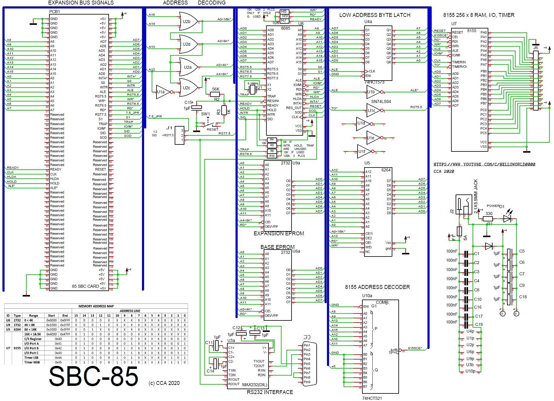
Home » SBC-85 CPU v1.0 Schematic SBC-85 CPU v1.0 Schematic February 1, 2020 Leave a Comment on SBC-85 CPU v1.0 Schematic Share: XFacebookPinterestRedditVKDiggLinkedinMix Version Download 99 File Size 250.23 KB File Count 1 Create Date February 1, 2020 Last Updated March 7, 2020 Download Related Articles 0 118 SBC-85 Confidence Test and Utility Set – Not quite ready for prime time, but here ‘ya go. 0 119 Bus Monitor Supreme v1.1b is Getting Really, Really Close 0 152 Bubble Memory Support Boards 0 130 Dave Dunfield’s MON85 Available for the SBC-85